PRODUCTS产品中心 当前位置:首页>产品中心>SS1拨动开关系列>SS1拨动开关

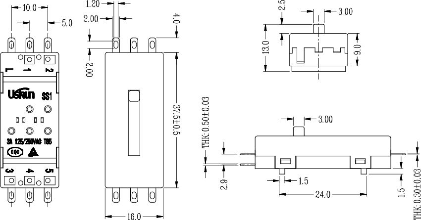
SS1型旋转开关技术参数:
1、绝缘电阻:≥100MΩ(50VDC)
2、接触电阻:≤50mΩ(初始值)
3、耐电压:
端子-端子之间:750VAC/5S,5mA
外壳-端子之间:1500VAC/5S,5mA
4、使用寿命:电气≥10000次
5、电气额定值:3A,250/250V,T85
6、耐漏电起痕:175V
备注:功能可按客户要求订制

产品描述

SS1拨动开关-描述.jpg