PRODUCTS产品中心
- 全部系列 >>
- KW-5型微动开关系列 >>
- KW-16型微动开关系列 >>
- KW-16B防倾倒开关系列 >>
- RS1型旋转开关系列 >>
- RS3型旋转开关系列 >>
- SS1拨动开关系列 >>
PRODUCTS产品中心 当前位置:首页>产品中心>KW-16B防倾倒开关系列>KW-16-BC35A
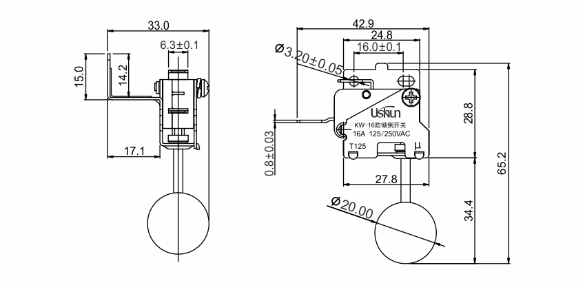
KW-16-BC35A
| > 寿命:机械≥10万次 |
> 特点:
・外型美观,结构紧凑,具有快速动作和高灵敏度的特点。 |
> 产品应用: 适用于暖风机 | 电风扇 | 空气净化机 | 电热油汀等家用电器以及其它的电器 |
KW-16B防倾倒开关技术参数:
1、绝缘电阻:≥100MΩ(500VDC)
2、接触电阻:
初始值≤50mΩ
触点镀金≤10mΩ
3、耐电压:
同极不相接端子间:AC1000V,50/60Hz,1min
带电金属零件与地(外壳)之间、
接线端与不带电金属件之间:AC1500V,50/60Hz,1min
4、使用寿命:
机械≥10万次
电气≥3000次
产品描述

